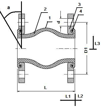
Компенсаторы
Компенсаторы — устройства, предназначенные для предохранения трубопроводов и установленной на них арматуры от возникающих в них напряжений вследствие теплового расширения, сжатия или деформации грунтов.
корзина
Общий вес, кг:
0
Сумма заказа:
0
Общий объем, м3:
0
